Product Summary
The PM300CLA120 is an intelligent power module. The applications of the PM300CLA120 include general purpose inverter, servo drives and other motor controls.
Parametrics
PM300CLA120 absolute maximum ratings: (1)collector-emitter voltage: 1200 V at VD=15V, VCIN=15V; (2)collector current: 300 A at TC=25 ℃; (3)collector current (peak): 600 A at TC=25 ℃; (4)collector dissipation: 1562 W at TC=25 ℃; (5)junction temperature: -20 to +150 ℃.
Features
PM300CLA120 features: (1)adopting new 5th generation IGBT chip, which performance is improved by 1μm fine rule process; (2)I adopt the over-temoperature conservation by Tj detection of CSTBT chip, and error output is possible from all each conservation upper and lower arm of IPM.
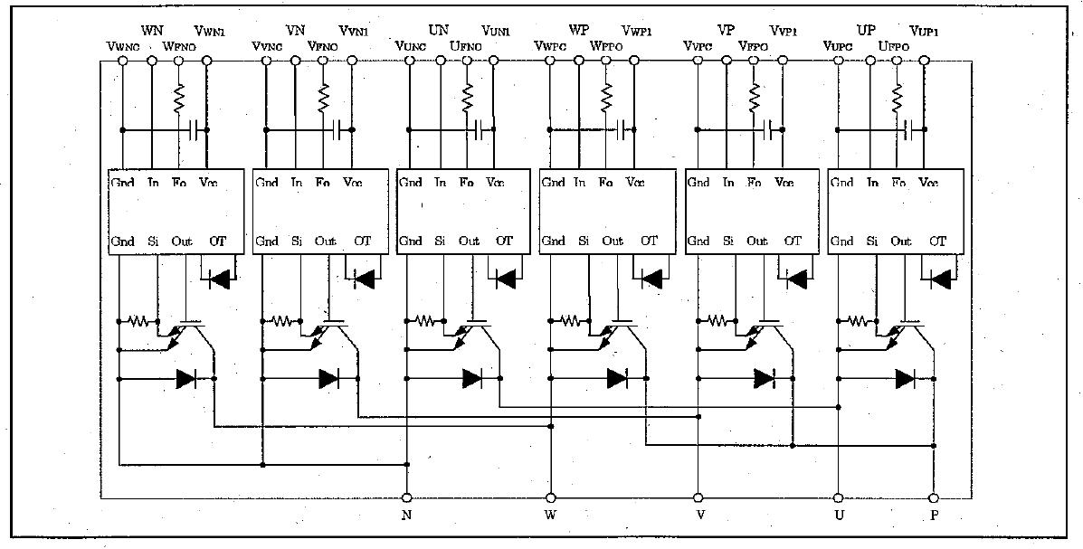
Diagrams

| Image | Part No | Mfg | Description | ![]() |
Pricing (USD) |
Quantity | ||||||
|---|---|---|---|---|---|---|---|---|---|---|---|---|
![]() |
![]() PM300CLA120 |
![]() |
![]() MOD IPM L-SER 6PAC 1200V 300A |
![]() Data Sheet |
![]()
|
|
||||||
| Image | Part No | Mfg | Description | ![]() |
Pricing (USD) |
Quantity | ||||||
![]() |
![]() PM300 |
![]() Other |
![]() |
![]() Data Sheet |
![]() Negotiable |
|
||||||
![]() |
![]() PM300CBS060 |
![]() Other |
![]() |
![]() Data Sheet |
![]() Negotiable |
|
||||||
![]() |
![]() PM300CE |
![]() Other |
![]() |
![]() Data Sheet |
![]() Negotiable |
|
||||||
![]() |
![]() PM300CL1A060 |
![]() Other |
![]() |
![]() Data Sheet |
![]() Negotiable |
|
||||||
![]() |
![]() PM300CLA060 |
![]() |
![]() MOD IPM L-SER 6PAC 600V 300A |
![]() Data Sheet |
![]()
|
|
||||||
![]() |
![]() PM300CLA120 |
![]() |
![]() MOD IPM L-SER 6PAC 1200V 300A |
![]() Data Sheet |
![]()
|
|
||||||
(China (Mainland))









