Product Summary
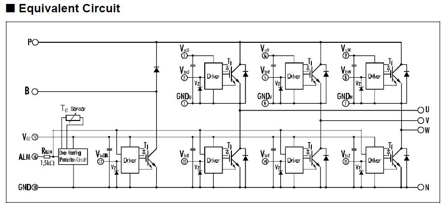
The 7MBP150KB060 is a Intelligent Power Module.
Parametrics
7MBP150KB060 absolute maximum ratings: (1)DC bus voltage, VDC: 0 to 450V; (2)DC bus voltage (surge), VDC(surge): 0 to 500V; (3)DC bus voltage (short operating), Vsc: 200 to 400V; (4)Input Signal Current, IIN: 1 mA; (5)Junction Temperature, Tj: 150℃; (6)Operating Temperature, TOP: -20 to 100℃; (7)Storage Temperature, Tstg: -40 to 125℃.
Features
7MBP150KB060 functions: (1)Short circuit protection circuit; (2)Amplifier for driver; (3)Undervoltage protection circuit; (4)Overcurrent protection circuit; (5)IGBT Chip overheating protection.
Diagrams

|  |  7MBP100RA060 |  Other |  |  Data Sheet |  Negotiable |  | ||||
|  |  7MBP100RTB060 |  Other |  |  Data Sheet |  Negotiable |  | ||||
|  |  7MBP100TEA060 |  Other |  |  Data Sheet |  Negotiable |  | ||||
|  |  7MBP150RA060 |  Other |  |  Data Sheet |  Negotiable |  | ||||
|  |  7MBP150RTB060 |  Other |  |  Data Sheet |  Negotiable |  | ||||
|  |  7MBP25RA120 |  Other |  |  Data Sheet |  Negotiable |  | ||||
 (China (Mainland))
 (China (Mainland)) 
                         
                        
 
                                    




