Product Summary
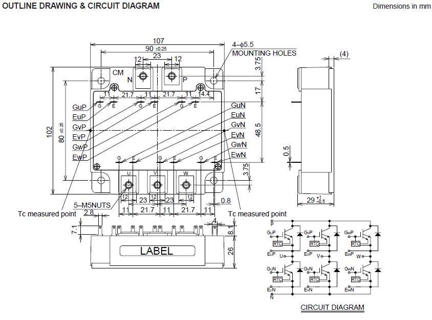
The CM200TU-12F is a IGBT module. It is suitable for general purpose inverters & Servo controls, etc.
Parametrics
CM200TU-12F absolute maximum ratings: (1)VCES, collecotor-emitter voltage: 600V when G-E short; (2)VGES, gate-emitter voltage: ±20V when C-E short; (3)Tj, junction temperature: -40~+150℃; (4)Tstg, storage temperature: -40~+125℃; (5)Viso, isolation voltage: 2500V when main terminal to base plate, AC 1min.
Features
CM200TU-12F features: (1)IC: 200A; (2)VCES: 600V; (3)Insulated Type; (4)6-elements in a pack.
Diagrams

| Image | Part No | Mfg | Description | ![]() |
Pricing (USD) |
Quantity | ||||||||||||
|---|---|---|---|---|---|---|---|---|---|---|---|---|---|---|---|---|---|---|
![]() |
![]() CM200TU-12F |
![]() |
![]() IGBT MOD 6PAC 600V 200A F SER |
![]() Data Sheet |
![]()
|
|
||||||||||||
| Image | Part No | Mfg | Description | ![]() |
Pricing (USD) |
Quantity | ||||||||||||
![]() |
![]() CM2006 |
![]() Other |
![]() |
![]() Data Sheet |
![]() Negotiable |
|
||||||||||||
![]() |
![]() CM2006-02QR |
![]() ON Semiconductor |
![]() Video ICs VGA Port Monitor |
![]() Data Sheet |
![]()
|
|
||||||||||||
![]() |
![]() CM2009 |
![]() Other |
![]() |
![]() Data Sheet |
![]() Negotiable |
|
||||||||||||
![]() |
![]() CM2009-00QR |
![]() ON Semiconductor |
![]() Video ICs VGA Port Circuit 55 Ohm |
![]() Data Sheet |
![]()
|
|
||||||||||||
![]() |
![]() CM2009-02QR |
![]() ON Semiconductor |
![]() Video ICs VGA Port Circuit 15 Ohm |
![]() Data Sheet |
![]()
|
|
||||||||||||
![]() |
![]() CM200C-32.768KAZF-UT |
![]() Citizen |
![]() Crystals 32.768K 30ppm 12.5pF |
![]() Data Sheet |
![]()
|
|
||||||||||||
(China (Mainland))











