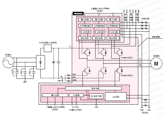
Product Summary
The PM20CEE060 is a power module. The device is suitable for General purpose inverter, servo drives and other motor controls.
Features
PM20CEE060 features: (1)Adopting new 4th generation planar IGBT chip, which performance is improved by 1μm fine rule process.; (2)Using new Diode which is designed to get soft reverse recovery characteristics.; (3)3φ 100A, 1200V Current-sense IGBT for 15kHz switching; (4)50A, 1200V Current-sense regenerative brake IGBT; (5)Monolithic gate drive & protection logic; (6)Detection, protection & status indication circuits for overcurrent, short-circuit, over-temperature & under-voltage; (7)Acoustic noise-less 18.5/22kW class inverter application.
Diagrams

![]() |
![]() PM2001-200 |
![]() Bourns |
![]() EMI Filter Beads, Chokes & Arrays 25% Choke |
![]() Data Sheet |
![]() Negotiable |
|
||||
![]() |
![]() PM2001-200-RC |
![]() |
![]() FERRITE CHIP 20 OHM 25% |
![]() Data Sheet |
![]() Negotiable |
|
||||
![]() |
![]() PM2002-300 |
![]() J.W. Miller |
![]() EMI Filter Beads, Chokes & Arrays 47ohm 25% |
![]() Data Sheet |
![]() Negotiable |
|
||||
![]() |
![]() PM2002-300-RC |
![]() Bourns |
![]() EMI Filter Beads, Chokes & Arrays 47ohms 25% |
![]() Data Sheet |
![]() Negotiable |
|
||||
![]() |
![]() PM2002DP |
![]() Other |
![]() |
![]() Data Sheet |
![]() Negotiable |
|
||||
![]() |
![]() PM2003-300 |
![]() J.W. Miller |
![]() EMI Filter Beads, Chokes & Arrays 25% Choke |
![]() Data Sheet |
![]() Negotiable |
|
||||
(China (Mainland))









