Product Summary
The DFA200AA160 is a SanRex Power Module, which is designed for rash current circuit.
Parametrics
DFA200AA160 absolute maximum ratings: (1)Repetitive Peak Reverse Voltage: 800 V; (2)Non-Repetitive Peak Reverse Voltage: 960 V; (3)Output Current (D.C.): 200 A; (4)Surge forward current: 1850/2000 kA; (5)Operating Junction Temperature: -30 to +150 ℃; (6)Storage Temperature: -30 to +135 ℃.
Features
DFA200AA160 features: (1)This Module is designed very compactly. Because diode module and thyristor put together.; (2)This Module is also isolated type between electorode terminal and mounting base. So you can put this Module and other one together in a same fin.
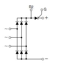
Diagrams

| Image | Part No | Mfg | Description |  | Pricing (USD) | Quantity | ||||||||||||||
|---|---|---|---|---|---|---|---|---|---|---|---|---|---|---|---|---|---|---|---|---|
|  |  DFA200AA160 |  Other |  |  Data Sheet |  Negotiable |  | ||||||||||||||
| Image | Part No | Mfg | Description |  | Pricing (USD) | Quantity | ||||||||||||||
|  |  DFA20 |  Other |  |  Data Sheet |  Negotiable |  | ||||||||||||||
|  |  DFA200AA160 |  Other |  |  Data Sheet |  Negotiable |  | ||||||||||||||
|  |  DFA200AA80 |  Other |  |  Data Sheet |  Negotiable |  | ||||||||||||||
|  DFA20E12D12 |  Power-One |  DC/DC Converters |  Data Sheet |  
 |  | |||||||||||||||
|  DFA20E12D15 |  Power-One |  CONV DC-DC 20W +15V/-15V DUAL |  Data Sheet |  
 |  | |||||||||||||||
|  |  DFA20E12D5 |  |  CONVERTER DC-DC 20W +5V/-5V DUAL |  Data Sheet |  
 |  | ||||||||||||||
 (China (Mainland))
 (China (Mainland)) 
                         
                        
 
                                    




