Product Summary
                                                  	The 7MBR15SA120 is an IGBT module. The applications of it are Inverter for motor drive, AC and DC servo drive amplifier, Uninterruptible power supply.
                                                  
Parametrics
7MBR15SA120 absolute maximum ratings: (1)inverter Collector-Emitter voltage: 1200V; (2)inverter Gate-Emitter voltage:±20V; (3)inverter Collector power dissipation:110W; (4)brake Collector-Emitter voltage:1200V; (5)brake Gate-Emitter voltage:±20V; (6)brake Collector power dissipation:110W; (7)brake Repetitive peak reverse voltage:1200V; (8)converter Repetitive peak reverse voltage:1600V; (9)converter Average output current:15A; (10)converter surge current:155A; (11)Operating junction temperature:+150℃; (12)Storage temperature:-40℃ to +125℃.
Features
7MBR15SA120 features: (1)Low VCE(sat); (2)Compact package; (3)P.C. board mount; (4)Converter diode bridge, Dynamic brake circuit.
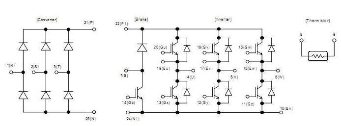
Diagrams

| Image | Part No | Mfg | Description |  | Pricing (USD) | Quantity | ||||
|---|---|---|---|---|---|---|---|---|---|---|
|  |  7MBR15SA120 |  Other |  |  Data Sheet |  Negotiable |  | ||||
| Image | Part No | Mfg | Description |  | Pricing (USD) | Quantity | ||||
|  |  7MBR 10SA-120 |  Other |  |  Data Sheet |  Negotiable |  | ||||
|  |  7MBR100SB060 |  Other |  |  Data Sheet |  Negotiable |  | ||||
|  |  7MBR100SD060 |  Other |  |  Data Sheet |  Negotiable |  | ||||
|  |  7MBR100U4B120 |  Other |  |  Data Sheet |  Negotiable |  | ||||
|  |  7MBR10NE120 |  Other |  |  Data Sheet |  Negotiable |  | ||||
|  |  7MBR10SA120 |  Other |  |  Data Sheet |  Negotiable |  | ||||
 (China (Mainland))
 (China (Mainland)) 
                         
                        
 
                                    




