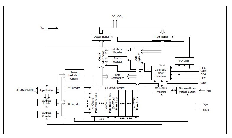
Product Summary
The TE28F320C3BC70 is a kind of Block FlashMemory (C3). The device provides high-performance asynchronous reads in package-compatible densities with a 16 bit data bus. Individually-erasable memory blocks are optimally sized for code and data storage. Eight 4 Kword parameter blocks are located in the boot block at either the top or bottom of the device memory map. The rest of the memory array is grouped into 32 Kword main blocks.
Parametrics
Maximum ratings: (1)Extended Operating Temperature: During Read: –40℃ to +85℃; During Block Erase and Program: –40℃ to +85℃; Temperature under Bias –40℃ to +85℃; (2)Storage Temperature: –65℃ to +125℃; (3)Voltage On Any Pin (except VCC and VPP) with Respect to GND: –0.5 V to +3.7 V 1; (4)VPP Voltage (for Block Erase and Program) with Respect to GND: –0.5 V to +13.5 V 1,2,3; (5)VCC and VCCQ Supply Voltage with Respect to GND: –0.2 V to +3.6 V; (6)Output Short Circuit Current: 100 mA.
Features
Features: (1)supports read-array mode operations at various I/O voltages (1.8 V and 3 V) and erase and program operations at 3 V or 12 V VPP; (2)a 128-bit protection register enabling security techniques and data protection schemes through a combination of factory-programmed and user-programmable OTP data registers; (3)a command User Interface(CUI) serves as the interface between the system processor and internal operation of the device; (4)offers three low-power saving features: Automatic Power Savings (APS), standby mode, and deep power-down mode; (5)available in 48-lead TSOP, 48-ball VF BGA, 48-ball μBGA, and Easy BGA packages.
Diagrams

|  |  TE28F004S3-150 |  Other |  |  Data Sheet |  Negotiable |  | ||||
|  |  TE28F004S5-100 |  Other |  |  Data Sheet |  Negotiable |  | ||||
|  |  TE28F004SC-100 |  Other |  |  Data Sheet |  Negotiable |  | ||||
|  |  TE28F008B3B120 |  Other |  |  Data Sheet |  Negotiable |  | ||||
|  |  TE28F008B3BA110 |  Other |  |  Data Sheet |  Negotiable |  | ||||
|  |  TE28F008SA-100 |  Other |  |  Data Sheet |  Negotiable |  | ||||
 (China (Mainland))
 (China (Mainland)) 
                         
                        
 
                                    




