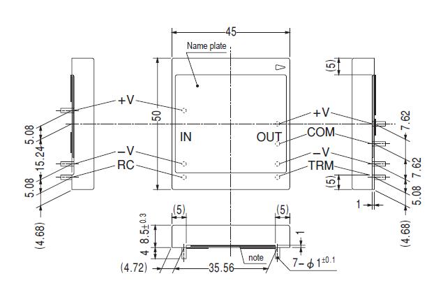
Product Summary
The ZUW151215 is an On-board type DC/DC Converter.
Parametrics
ZUW151215 absolute maximum ratings: (1)Input Voltage: DC 9 to 18V; (2)Output Wattage: 15W; (3)DC Output (V/A): -15 to 30V / -0.5 to 0.5A.
Features
ZUW151215 features: (1)UL recognized, TV approved, CSA certified; (2)Isolated between input-output; (3)Thin profile; (4)Built-in Over Current Protection; (5)RoHS Compliant.
Diagrams

(China (Mainland))






