Product Summary
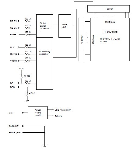
The NL6448BC33-46 is a TFT (thin film transistor) active matrix color liquid crystal display (LCD) comprising amorphous silicon TFT attached to each signal electrode, a driving circuit and a backlight. It has a built-in backlight. Backlight includes long-life-lamps and the lamps are replaceable. The NL6448BC33-46 is suitable for industrial application use because of the wide viewing angle and the high luminance. The applications of it include: Display terminals for control system, Monitors for process controller, Industrial PCs.
Parametrics
NL6448BC33-46 absolute maximum ratings: (1)Supply voltage VCC: –0.3 to 6.5 V; (2)Input voltage VI: –0.3 to VCC +0.3 V; (3)Lamp voltage VL: 2000 Vrms; (4)Storage temp. TST: –20 to 60 ℃; (5)Operating temp. TOP: 0 to 50 ℃; (6)Humidity(no condensation)RH: ≤ 95% relative humidity(Ta ≤ 40℃); ≤ 85% relative humidity(40 < Ta ≤ 50℃); Absolute humidity shall not exceed Ta = 50℃, 85% relative humidity level(Ta > 50℃).
Features
NL6448BC33-46 features: (1)Wide viewing angle (with Retardation Film); (2)Smooth polarizer surface (No antiglare treatment); (3)High luminance (350 cd/m2, typ.: saturated value, at room temp.); (4)Low reflection; (5)6-bit digital RGB signals; (6)Data enable function; (7)Backlight with two long-life-time lamps (one lamp holder, inverter-less); (8)Lamp holder replaceable; (9)Reversible scan direction (with DPS pin); (10)Replaceable lamp holders; (11)Recommended inverter; (12)Best viewing angle select function (with MVA terminal); (13)Luminance control; (14)Easy to attach a touch panel.
Diagrams

| Image | Part No | Mfg | Description | ![]() |
Pricing (USD) |
Quantity | ||||
|---|---|---|---|---|---|---|---|---|---|---|
![]() |
![]() NL6448BC33-46 |
![]() Other |
![]() |
![]() Data Sheet |
![]() Negotiable |
|
||||
| Image | Part No | Mfg | Description | ![]() |
Pricing (USD) |
Quantity | ||||
![]() |
![]() NL6448AC20-06 |
![]() Other |
![]() |
![]() Data Sheet |
![]() Negotiable |
|
||||
![]() |
![]() NL6448AC20-08 |
![]() Other |
![]() |
![]() Data Sheet |
![]() Negotiable |
|
||||
![]() |
![]() NL6448AC33-18A |
![]() Other |
![]() |
![]() Data Sheet |
![]() Negotiable |
|
||||
![]() |
![]() NL6448AC33-29 |
![]() Other |
![]() |
![]() Data Sheet |
![]() Negotiable |
|
||||
![]() |
![]() NL6448BC20-08 |
![]() Other |
![]() |
![]() Data Sheet |
![]() Negotiable |
|
||||
![]() |
![]() NL6448BC33-31 |
![]() Other |
![]() |
![]() Data Sheet |
![]() Negotiable |
|
||||
(China (Mainland))









