Product Summary
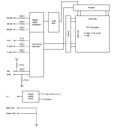
The NL6448BC20-20 is a TFT (thin film transistor) active matrix color liquid crystal display (LCD) comprising amorphous silicon TFT attached to each signal electrode, a driving circuit and a backlight. It has a built-in backlight. The NL6448BC20-20 is suitable for industrial application use, because the luminance is high, and the viewing direction is selectable with display scan select. Applications include: Measuring instruments, Display terminals for control system, Monitors for process controller.
Parametrics
NL6448BC20-20 absolute maximum ratings: (1)Supply voltage VCC: –0.3 to 6.5 V ; (2)Input voltage VI: –0.3 to VCC+0.3 V; (3)Lamp voltage VL: 1600 Vrms; (4)Storage temp. TST: –25 to 70 ℃; (5)Operating temp. TOP: 0 to 60 ℃; (6)Humidity(No condensation) RH: ≤ 95 % relative humidity(Ta≤40℃); ≤ 85 % relative humidity (40 < Ta ≤ 50 ℃); Absolute humidity shall not exceed Ta = 50 ℃, 85 % relative humidity level(Ta > 50 ℃).
Features
NL6448BC20-20 features: (1)High luminance (300 cd/m2, typ.); (2)Low reflection; (3)Wide viewing angle with retardation film (Antiglare treatment); (4)Display reverse scan function; (5)6-bit digital RGB signals; (6)Edge type backlight with long-life-lamps (Two lamp holders, inverter-less); (7)Variable luminance control; (8)Recommended inverter (Part No. 65PWB31); (9)Compatible to the mounting holes position of NL6448AC20-06 except for inverter.
Diagrams

![]() |
![]() NL6448AC20-06 |
![]() Other |
![]() |
![]() Data Sheet |
![]() Negotiable |
|
||||
![]() |
![]() NL6448AC20-08 |
![]() Other |
![]() |
![]() Data Sheet |
![]() Negotiable |
|
||||
![]() |
![]() NL6448AC33-18A |
![]() Other |
![]() |
![]() Data Sheet |
![]() Negotiable |
|
||||
![]() |
![]() NL6448AC33-29 |
![]() Other |
![]() |
![]() Data Sheet |
![]() Negotiable |
|
||||
![]() |
![]() NL6448BC20-08 |
![]() Other |
![]() |
![]() Data Sheet |
![]() Negotiable |
|
||||
![]() |
![]() NL6448BC33-31 |
![]() Other |
![]() |
![]() Data Sheet |
![]() Negotiable |
|
||||
(China (Mainland))








