Product Summary
The MIG30J102LA is a silicon N channel IGBT. The device is suitable for high power switching applications and motor control applications.
Parametrics
MIG30J102LA absolute maximum ratings: (1)inverter part, supply voltage, VCC: 400V; collector-emitter voltage, VCES: 600V; collector current (DC), ±IC: 30A when Tc=25℃; collector power dissipation, Pc: 83W when Tc=25℃; junction temperature, Tj: 150℃; (2)control part, supply, VD: 20V; input voltage, Vin: 20V when VIN=VD; foul output voltage, VFO: 20V when VFO=VD; foul output current, IFO: 7mA; (3)all system, operating temprature, Tc: -20 to 100℃; storage temprature range, Tstg: -40 to 125℃; isolation voltage, Viso: 2500Vrms when AC, 1min; screw torque: 2Nm.
Features
MIG30J102LA features: (1)intelligent power module that include IGBT drive circuits, overcurrent, undervoltage lockout, and overtemperature protection; (2)the electrodes are isolated from case; (3)high speed type IGBT: VCE(sat)=2.7V max; toff=2.0μs max; trr=0.25μs max; (4)weight: 80g.
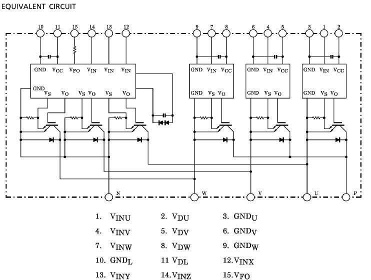
Diagrams

|  |  MIG300J101H |  Other |  |  Data Sheet |  Negotiable |  | ||||
|  |  MIG300Q2CMB1X |  |  IPM MOD CMPCT DUAL 1200V 300A |  Data Sheet |  Negotiable |  | ||||
|  |  MIG30J906H |  Other |  |  Data Sheet |  Negotiable |  | ||||
|  |  MIG30J806H |  Other |  |  Data Sheet |  Negotiable |  | ||||
|  |  MIG30J106L |  Other |  |  Data Sheet |  Negotiable |  | ||||
|  |  MIG30J103HB |  Other |  |  Data Sheet |  Negotiable |  | ||||
 (China (Mainland))
 (China (Mainland)) 
                         
                        
 
                                    




