Product Summary
The DMF-50262NF-FW is a kind of LCD module. It adopts Cold Cathode Fluorescent Lamp (CFL) as backlight. It is designed to be used in life-sustaining equipment, nuclear control devices, aerospace equipment, devices related to hazardous or flammable materials, etc. You should notice that: LCD may be broken because it is made of glass; Polarizer is a soft material and can easily be scratched; avoid static electricity; Liquid crystal may be leaked when display is broken.
Parametrics
Absolute maximum ratings: (1)Supply Voltage (Logic), VCC-VSS: -0.3 to 7.0 V; (2)Supply Voltage (LCD Drive) VSS-VEE: 0 to 27.0 V; (3)Input Voltage, VI: -0.3 to VCC+0.3 V.
Features
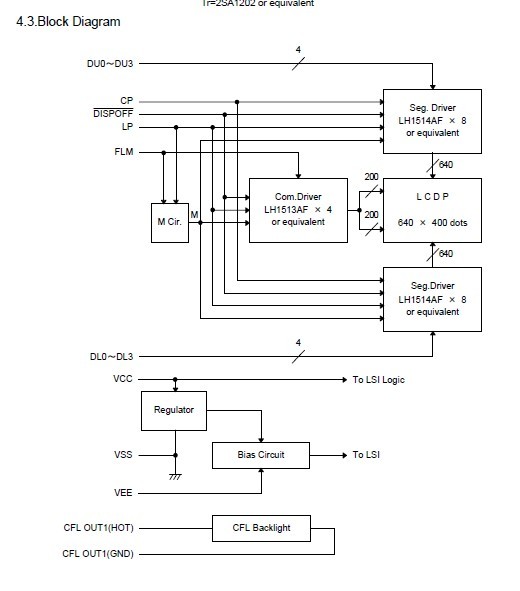
Features: (1)Operating Temp. : min. 0℃ ~ max. 50℃; (2)Storage Temp. : min. -20℃ ~ max. 60℃; (3)Dot Pixels : 640 (W) × 400 (H) dots; (4)Dot Size : 0.27 (W) × 0.27 (H) mm; (5)Dot Pitch: 0.30 (W) × 0.30 (H) mm; (6)Viewing Area: 200.0 (W) × 128.0 (H) mm; (7)Outline Dimensions : 255.0* (W) × 147.0 (H) × 7.3 max. (D) mm; (8)Weight : 310g max.; (9)LCD Type : NTD-11591 ( F-STN / Black & White-mode / Transmissive ); (10)Viewing Angle : 6:00; (11)Data Transfer: 4-bit parallel data transfer × 2; (12)Backlight : Cold Cathode Fluorescent Lamp (CFL) × 1.
Diagrams

|  |  DMF-2A-1700 |  Other |  |  Data Sheet |  Negotiable |  | ||||
|  |  DMF-2A-250SQ |  Other |  |  Data Sheet |  Negotiable |  | ||||
|  |  DMF-2R-5000 |  Other |  |  Data Sheet |  Negotiable |  | ||||
|  |  DMF-4A-250 |  Other |  |  Data Sheet |  Negotiable |  | ||||
|  |  DMF-4R-5000 |  Other |  |  Data Sheet |  Negotiable |  | ||||
|  |  DMF-5001NYL-SEB-ADE-AV |  |  LCD GRAPHIC MODULE 160X128 PIXEL |  Data Sheet |  Negotiable |  | ||||
 (China (Mainland))
 (China (Mainland)) 
                         
                        
 
                                    




