Product Summary
The CM100E3U-24H is an IGBT. Mitsubishi IGBT Module is designed for use in switching applications. Each module consists of two IGBTs in a half-bridge configuration with each transistor having a reverse-connected super-fast recovery free-wheel diode. All components and interconnects are isolated from the heat sinking baseplate, offering simplified system assembly and thermal management. The applications of the CM100E3U-24H include AC Motor Control, Motion/Servo Control, UPS, Welding Power Supplies.
Parametrics
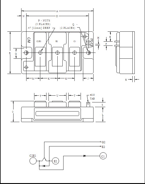
CM100E3U-24H absolute maximum ratings: (1)Junction Temperature, Tj: -40 to 150℃; (2)Storage Temperature, Tstg: -40 to 125℃; (3)Collector-Emitter Voltage (G-E SHORT), VCES: 1200 Volts; (4)Gate-Emitter Voltage (C-E SHORT), VGES: ±20 Volts; (5)Collector Current (TC = 25℃), IC: 100 A; (6)Peak Collector Current, ICM: 200 A; (7)Emitter Current (TC = 25℃), IE: 100 A; (8)Peak Emitter Current, IEM: 200 A; (9)Maximum Collector Dissipation (TC = 25℃, Tj ≤ 150℃), Pc: 780 Watts; (10)Mounting Torque, M5 Main Terminal: 1.47 ~ 1.96 N · m; (11)Mounting Torque, M6 Mounting: 1.96 ~ 2.94 N · m; (12)Weight: 270 Grams; (13)Isolation Voltage (Main Terminal to Baseplate, AC 1 min.), Viso: 2500 Vrms
Features
CM100E3U-24H features: (1)Low Drive Power; (2)Low VCE(sat); (3)Discrete Super-Fast Recovery Free-Wheel Diode; (4)High Frequency Operation; (5)Isolated Baseplate for Easy Heat Sinking.
Diagrams

| Image | Part No | Mfg | Description | ![]() |
Pricing (USD) |
Quantity | ||||||
|---|---|---|---|---|---|---|---|---|---|---|---|---|
![]() |
![]() CM100E3U-24H |
![]() |
![]() IGBT MOD CHOP 1200V 100A U SER |
![]() Data Sheet |
![]()
|
|
||||||
| Image | Part No | Mfg | Description | ![]() |
Pricing (USD) |
Quantity | ||||||
![]() |
![]() CM10 |
![]() |
![]() FPE04-6U NO FRONT PANEL |
![]() Data Sheet |
![]()
|
|
||||||
![]() |
![]() CM100 |
![]() AMPROBE |
![]() Environmental Test Equipment CARBON MONOXIDE W/ADJUST CO |
![]() Data Sheet |
![]() Negotiable |
|
||||||
![]() |
![]() CM1000 |
![]() Other |
![]() |
![]() Data Sheet |
![]() Negotiable |
|
||||||
![]() CM1000DU-34NF |
![]() |
![]() IGBT MOD DUAL 1700V 1000A NF SER |
![]() Data Sheet |
![]() Negotiable |
|
|||||||
![]() |
![]() CM1000HA-24H |
![]() |
![]() IGBT MOD SGL 1200V 1000A H SER |
![]() Data Sheet |
![]() Negotiable |
|
||||||
![]() |
![]() CM1000HA-28H |
![]() |
![]() IGBT MOD SGL 1400V 1000A H SER |
![]() Data Sheet |
![]() Negotiable |
|
||||||
(China (Mainland))










