Product Summary
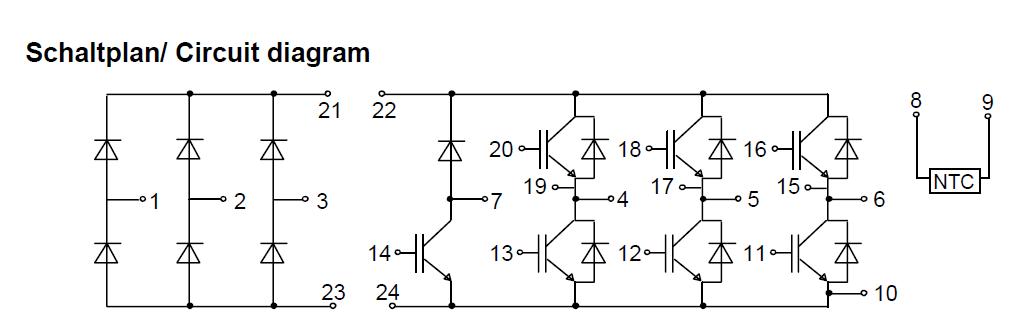
The BSM10GP120 is an IGBT-Module.
Parametrics
BSM10GP120 absolute maximum ratings: (1)repetitive peak reverse voltage: 1200 V; (2)RMS forward current per chip: 40 A; (3)DC forward current: 10 A at TC = 80℃; (4)surge forward current: 300 A at tP = 10 ms, Tvj = 25℃, 230 A at tP = 10 ms, Tvj = 150℃; (5)I2t - value: 450 A2s at tP = 10 ms, Tvj = 25℃, 260 A2s at tP = 10 ms, Tvj = 150℃.
Features
BSM10GP120 features: (1)internal insulation: Al2O3; (2)comperative tracking index: 225; (3)mounting torque: 3±10% Nm; (4)weight: 180g.
Diagrams

| Image | Part No | Mfg | Description | ![]() |
Pricing (USD) |
Quantity | ||||||||||||
|---|---|---|---|---|---|---|---|---|---|---|---|---|---|---|---|---|---|---|
![]() |
![]() BSM10GP120 |
![]() Infineon Technologies |
![]() IGBT Modules 1200V 10A PIM |
![]() Data Sheet |
![]()
|
|
||||||||||||
![]() |
![]() BSM10GP120_B9 |
![]() Infineon Technologies |
![]() IGBT Modules IGBT 1200V 10A |
![]() Data Sheet |
![]()
|
|
||||||||||||
(China (Mainland))









