Product Summary
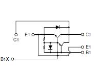
The SQD200A60 is a Darlington power transistor module which contaions a high speed, high power Darlington transistor. The SQD200A60 has a reverse paralled fast recovery diode. The mounting base of the module is electrically isolated from semiconductor elements for simple heatsink construction.
Parametrics
SQD200A60 absolute maximum ratings: (1)VCBO, Collector-Base Voltage: 600 V; (2)VCEX, Collector-Emitter Voltage: 600 V when VBE=2V; (3)VEBO, Emitter-Base Voltage: 10 V; (4)IC, Collector Current: 400A when pw≤ms; (5)-IC, Reverse Collector Current: 200 A; (6)IB, Base Current: 12 A; (7)PT, Total power dissipation: 1250 W when TC=25℃; (8)Tj, Junction Temperature: -40 to +150℃; (9)Tstg ,Storage Temperature: -40 to +125℃; (10)VISO, Isolation Voltage: 2500 V when A.C.1minute.
Features
SQD200A60 features: (1)IC=200A, VCEX=400/600V; (2)Low saturation voltage for higher efficiency; (3)High DC current gain hFE; (4)Isolated mounting base; (5)VEBO 10V for faster switching speed.
Diagrams

| Image | Part No | Mfg | Description | ![]() |
Pricing (USD) |
Quantity | ||||||||||||
|---|---|---|---|---|---|---|---|---|---|---|---|---|---|---|---|---|---|---|
![]() |
![]() SQD200A60 |
![]() Other |
![]() |
![]() Data Sheet |
![]() Negotiable |
|
||||||||||||
| Image | Part No | Mfg | Description | ![]() |
Pricing (USD) |
Quantity | ||||||||||||
![]() |
![]() SQD200A60 |
![]() Other |
![]() |
![]() Data Sheet |
![]() Negotiable |
|
||||||||||||
![]() |
![]() SQD23N06-31L |
![]() Other |
![]() |
![]() Data Sheet |
![]() Negotiable |
|
||||||||||||
![]() |
![]() SQD25N15-52 |
![]() Other |
![]() |
![]() Data Sheet |
![]() Negotiable |
|
||||||||||||
![]() |
![]() SQD25N15-52-GE3 |
![]() Vishay/Siliconix |
![]() MOSFET 150V 25A 136W 5.2mohm @ 10V |
![]() Data Sheet |
![]()
|
|
||||||||||||
![]() |
![]() SQD25N06-35L-GE3 |
![]() Vishay/Siliconix |
![]() MOSFET 60V 25A 50W 35mohm @ 10V |
![]() Data Sheet |
![]()
|
|
||||||||||||
![]() |
![]() SQD25N06-22L-GE3 |
![]() Vishay/Siliconix |
![]() MOSFET 60V 25A 62W N-Ch Automotive |
![]() Data Sheet |
![]()
|
|
||||||||||||
(China (Mainland))










