Product Summary
The NL8060AC26-11 is a TFT (thin film transistor) active matrix color liquid crystal display (LCD) module comprising amorphous silicon TFT attached to each signal electrode, a driving circuit, and a backlight. It has a built-in backlight. The backlight includes long-life-lamps and the lamps are replaceable with a holder. The NL8060AC26-11 is suitable for industrial application use. Applications include: Display terminals for control system, Monitors for process controller.
Parametrics
NL8060AC26-11 absolute maximum ratings: (1)Supply voltage VCC: –0.3 to 6.5 V ; (2)Input voltage VI: –0.3 to 6.5 V; (3)Lamp voltage VL: 2000 Vrms; (4)Storage temp. TST: –20 to 60 ℃; (5)Operating temp. TOP: 0 to 50 ℃; (6)Humidity(No condensation): ≤ 95 % relative humidity(Ta≤40℃); ≤ 85 % relative humidity (40 < Ta ≤ 50 ℃); Absolute humidity shall not exceed Ta = 50 ℃, 85 % relative humidity level(Ta > 50 ℃).
Features
NL8060AC26-11 features: (1)High luminance (280 cd/m2, typ.); (2)Wide viewing angle (with Retardation film); (3)Low reflection; (4)Reversible scan direction; (5)6-bit digital RGB input signals; (6)Data enable (DE) function; (7)Edge type backlight with two long-life-time lamps (one lamp holder); (8)Lamp holder replaceable; (9)Recommended inverter for a backlight: Part No. 104PWBR1.
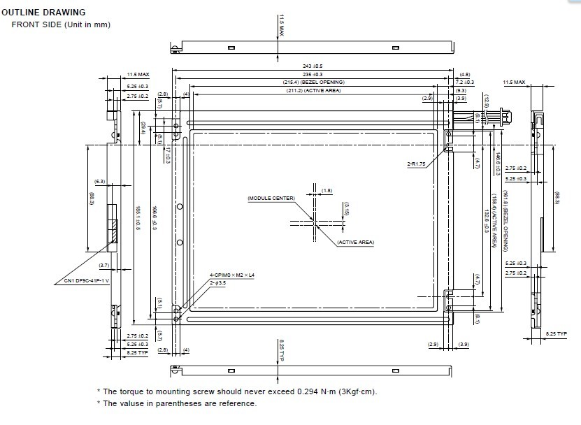
Diagrams

![]() |
![]() NL8060BC26-17 |
![]() Other |
![]() |
![]() Data Sheet |
![]() Negotiable |
|
||||
![]() |
![]() NL8060BC31-17 |
![]() Other |
![]() |
![]() Data Sheet |
![]() Negotiable |
|
||||
(China (Mainland))








