Product Summary
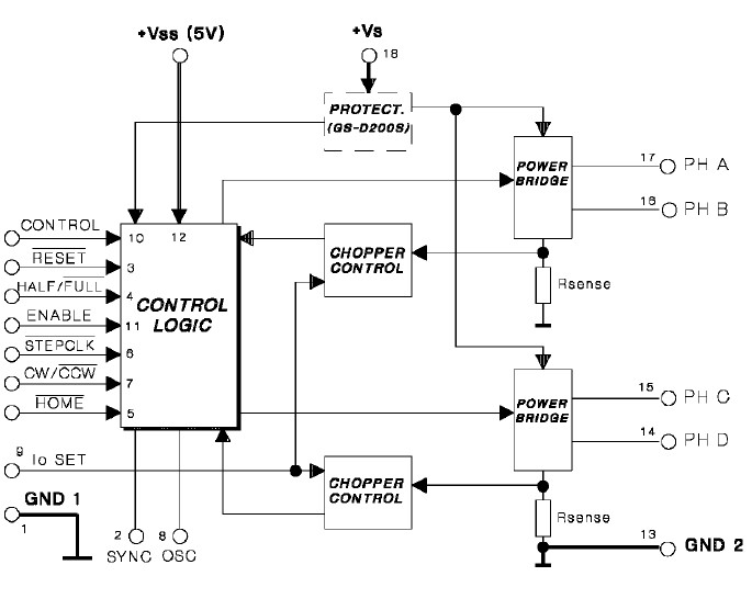
The GS-D200 is a kind of bipolar stepper motor drive module. It directly interface amicroprocessor to atwo phase, bipolar, permanent magnet stepper motors. The phase current is chopper controlled, and the internal phase sequence generation reduces the burden of the controller and it simplifies software development. The device uses bipolar power outputs.
Parametrics
Absolute maximum ratings: (1)Vs, DC Supply Voltage (pin 18): 48 V; (2)Vss, DC Logic Supply Voltage (pin 12): 7 V; (3)Tstg, Storage Temperature Range: -40 to +105℃; (4)Tcop, Operating Case Temperature Range: -20 to +85℃.
Features
Features: (1)Wide supply voltage range; (2)Full/Half step drive capability; (3)Logic signals TTL/CMOS compatible; (4)Programmable motor phase current and chopper frequency; (5)Selectable Slow/Fast current decay; (6)Synchronization for multimotor applications; (7)Remote shut-down; (8)Home position indication.
Diagrams

| Image | Part No | Mfg | Description |  | Pricing (USD) | Quantity | ||||
|---|---|---|---|---|---|---|---|---|---|---|
|  |  GS-D200 |  STMicroelectronics |  Motor / Motion / Ignition Controllers & Drivers 2/2.5A Stepper |  Data Sheet |  Negotiable |  | ||||
|  |  GS-D200S |  STMicroelectronics |  Motor / Motion / Ignition Controllers & Drivers Stepper Motor Driver |  Data Sheet |  Negotiable |  | ||||
 (China (Mainland))
 (China (Mainland)) 
                         
                        
 
                                    




