Product Summary
The FF150R12KE3G is a 62mm C-series module with the trench/fieldstop IGBT3 and Emcon High Efficiency diode.
Parametrics
FF150R12KE3G absolute maximum ratings: (1)collector emitter voltage: 1200V; (2)DC-collector current: 150 to 225A; (3)repetitive peak collector current: 300A; (4)total power dissipation: 780W; (5)gate emitter peak voltage: ±20V.
Features
FF150R12KE3G features: (1)collector emitter saturation voltage: 2.15V; (2)gate threshold voltage: 6.5V; (3)gate charge: 1.40μC; (4)internal gate resistor: 5.0Ω; (5)input capacitance: 11nF; (6)reverse transfer capacitance: 0.50nF; (7)collector emitter cut off current: 5.0-mA; (8)gate emitter leakage current: 400nA; (9)SC data: 600A.
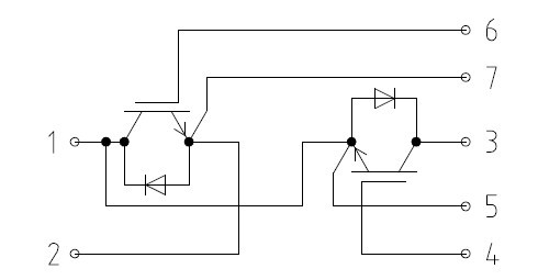
Diagrams

| Image | Part No | Mfg | Description | ![]() |
Pricing (USD) |
Quantity | ||||||||
|---|---|---|---|---|---|---|---|---|---|---|---|---|---|---|
![]() |
![]() FF150R12KE3G |
![]() Infineon Technologies |
![]() IGBT Modules 1200V 150A DUAL |
![]() Data Sheet |
![]()
|
|
||||||||
![]() |
![]() FF150R12KE3G_B2 |
![]() Infineon Technologies |
![]() IGBT Modules N-CH 1.2KV 225A |
![]() Data Sheet |
![]()
|
|
||||||||
(China (Mainland))









