Product Summary
                                                  	The FD400R33KF2 is an IGBT Module.
                                                  
Parametrics
FD400R33KF2 absolute maximum ratings: (1)collector-emitter voltage, VCES: 1200 V; (2)DC-collector current, IC: 400 A; (3)repetitive peak collctor current tp=1 ms, ICRM: 800 A; (4)total power dissipation tC=25℃, Transistor /transistor, Ptot: 2700 W; (5)gate-emitter peak voltage, VGE: ±20 V; (6)DC forward current, IF: 400 A; (7)repetitive peak forw. current tp=1ms, IFRM: 800 A; (8)insulation test voltage RMS, f=50 Hz, t= 1 min., VISOL: 2,5 kV.
Features
FD400R33KF2 features: (1)supply voltage: 1200V; (2)supply current: 400A; (3)IGBT module.
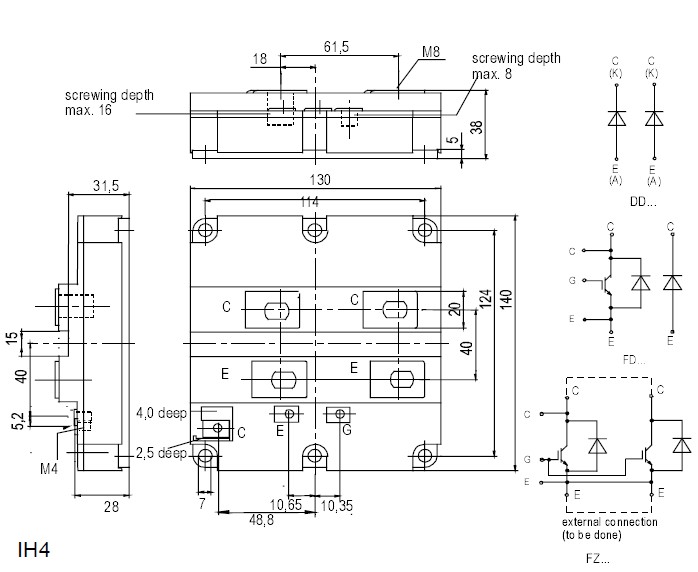
Diagrams

| Image | Part No | Mfg | Description |  | Pricing (USD) | Quantity | ||||||||||||
|---|---|---|---|---|---|---|---|---|---|---|---|---|---|---|---|---|---|---|
|  |  FD400R33KF2C |  Infineon Technologies |  IGBT Transistors 3300V 400A CHOPPER |  Data Sheet |  
 |  | ||||||||||||
|  |  FD400R33KF2C-K |  Infineon Technologies |  IGBT Modules N-CH 3.3KV 660A |  Data Sheet |  
 |  | ||||||||||||
 (China (Mainland))
 (China (Mainland)) 
                         
                        
 
                                    




