Product Summary
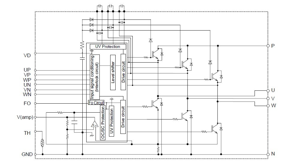
The PS12038 is a Specific Intelligent Power Module. It is designed for acoustic noise-less 3.7kW/400V AC Class 3 phase inverters, motor control applications, and motors with built-in small size inverter package.
Parametrics
PS12038 absolute maximum ratings: (1)VCC Supply voltage: 900V; (2)VCC(surge) Supply voltage (surge): 1000V; (3)VP or VN Each IGBT collector-emitter static voltage: 1200V; (4)VP(S) or VN(S) Each IGBT collector-emitter switching voltage: 1200V; (5)±Ic(±Icp) Each IGBT collector current: ±25 (±50)A.
Features
PS12038 features: (1)3 phase IGBT inverter bridge configured by the latest 3rd. generation IGBT and diode technology; (2)Inverter output current capability IO.
Diagrams

| Image | Part No | Mfg | Description | ![]() |
Pricing (USD) |
Quantity | ||||||
|---|---|---|---|---|---|---|---|---|---|---|---|---|
![]() |
![]() PS12038 |
![]() |
![]() MOD IPM 3PHASE IGBT 1200V 25A |
![]() Data Sheet |
![]() Negotiable |
|
||||||
| Image | Part No | Mfg | Description | ![]() |
Pricing (USD) |
Quantity | ||||||
![]() |
![]() PS120 |
![]() Apex Tool Group (Formerly Cooper Tools) |
![]() Screwdrivers, Nut Drivers & Socket Drivers Xcelite Nutdvr Set 11 Pcs, Inch Sizes |
![]() Data Sheet |
![]()
|
|
||||||
![]() |
![]() PS1200 |
![]() Other |
![]() |
![]() Data Sheet |
![]() Negotiable |
|
||||||
![]() |
![]() PS1201 |
![]() Clare |
![]() Triac & SCR Output Optocouplers NO PC-Mount 1-CHANNEL SIP |
![]() Data Sheet |
![]() Negotiable |
|
||||||
![]() |
![]() PS12012-A |
![]() |
![]() MOD IPM 3PHASE IGBT 1200V 5A |
![]() Data Sheet |
![]() Negotiable |
|
||||||
![]() |
![]() PS12013-A |
![]() |
![]() MOD IPM 3PHASE IGBT 1200V 5A |
![]() Data Sheet |
![]() Negotiable |
|
||||||
![]() |
![]() PS12014- PS12014-A |
![]() Other |
![]() |
![]() Data Sheet |
![]() Negotiable |
|
||||||
(China (Mainland))










