Product Summary
                                                  	The FZ1200R16KF4 is an IGBT module.
                                                  
Parametrics
FZ1200R16KF4 absolute maximum ratings: (1)Collector-emitter voltage: 1600V; (2)DC-collctor current: 1200A; (3)Repetitive peak collector current: 2400A; (4)Total power dissipation: 7800W; (5)Gate-emitter peak voltage: ±20V; (6)Insulation test voltage: 34kV.
Features
FZ1200R16KF4 characteristics: (1)Collctor-emitter saturation voltage:39V; (2)Gate threshold voltage: 65V; (3)Input capacity: 180nF; (4)Collector-emitter cut-off current: 8mA; (5)Gate leakage current: 400nA; (6)Gate leakage current: 400nA.
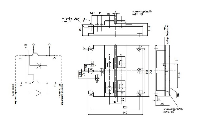
Diagrams

| Image | Part No | Mfg | Description |  | Pricing (USD) | Quantity | ||||||||||||
|---|---|---|---|---|---|---|---|---|---|---|---|---|---|---|---|---|---|---|
|  |  FZ1200R16KF4 |  Infineon Technologies |  IGBT Modules 1600V 1200A SINGLE |  Data Sheet |  
 |  | ||||||||||||
|  |  FZ1200R16KF4S1 |  Infineon Technologies |  IGBT Modules 1600V 1200A SINGLE |  Data Sheet |  Negotiable |  | ||||||||||||
 (China (Mainland))
 (China (Mainland)) 
                         
                        
 
                                    




